Click on the empty space to go back

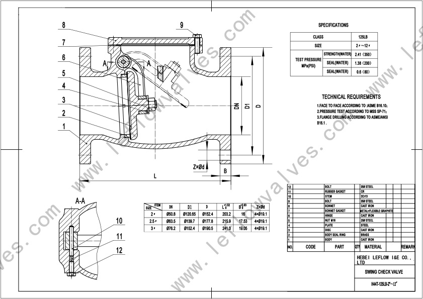
CAST IRON SWING CHECK VALVE-MSS

Valve Size:  2” – 36” 
Pressure Rating: Class 125 
Material: ASTM A126 Gr.B; ASTM A536.
Face to Face Dimension: MSS SP-71
Ends Dimension:ANSI B16.1
Test & Inspection: API 598

Categories :
  • Description