Features:
Leflow is manufacturing Steel Globe valve as BS 1873 and API 623. For big size, to easy operation, We suggest Reverse flow type(The fluid will flow from up to down). Straight and Angle type are available; Bellow seal globe valve is also optional. The plug can be Plug, Needle and throttling(Parabolic) type.
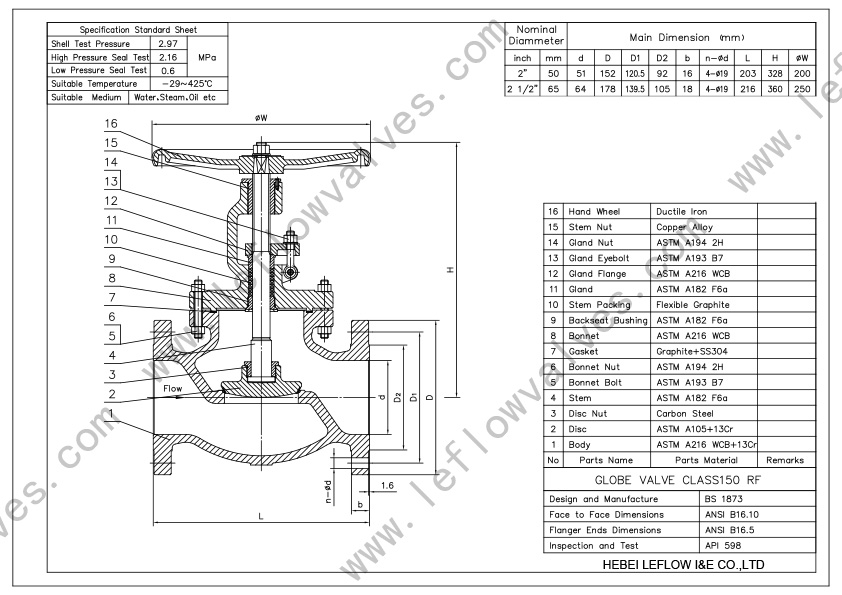
The cast steel globe valve is operated by lifting or lowering the stem. It is mainly used to control the fluid in the pipeline, with strong pressure capacity, good sealing characteristics. Cast steel globe valves are suitable for a variety of working conditions, including high temperature, high pressure, strong corrosive media. It can be installed anywhere in the pipeline and adjust the pressure and flow of the fluid as needed. The valve is widely used in fluid control systems in petroleum, chemical, electric power, metallurgy and other industries.
Cast Steel Globe valve has following key advantage:
1.Strong cast steel material: cast steel globe valve is made of high-quality cast steel material, has excellent corrosion resistance and high temperature resistance, can adapt to a variety of harsh conditions.
2.Good sealing performance: The cast steel globe valve is equipped with a sealed structure, through the contact between the valve plate and the seat, to ensure that the fluid completely stops flowing when the globe valve is closed to prevent leakage and leakage.
3.Accurate flow control: Cast steel globe valve by lifting or lowering the stem, to achieve valve opening and closing, so as to accurately control the fluid on and off. Easy to operate, small operating torque.
4.Reliable bearing capacity: Cast steel globe valve is made of cast steel material, with high strength. It can withstand high pressure and shock loads to ensure the safe operation of the system.
Installation and Maintenance Tips
1.Proper Installation: Ensure correct alignment during installation to avoid operational issues.
2.Regular Inspection: Periodically inspect for signs of wear or damage.
3.Lubrication: Keep moving parts well-lubricated to reduce friction and wear.
4.Cleaning: Prevent debris buildup by keeping the valve clean.
5.Timely Replacement: Replace worn or damaged parts promptly to maintain optimal performance.





