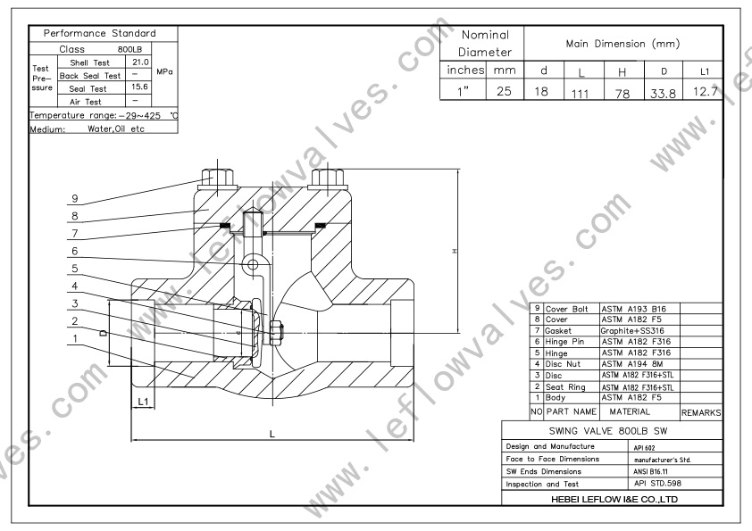
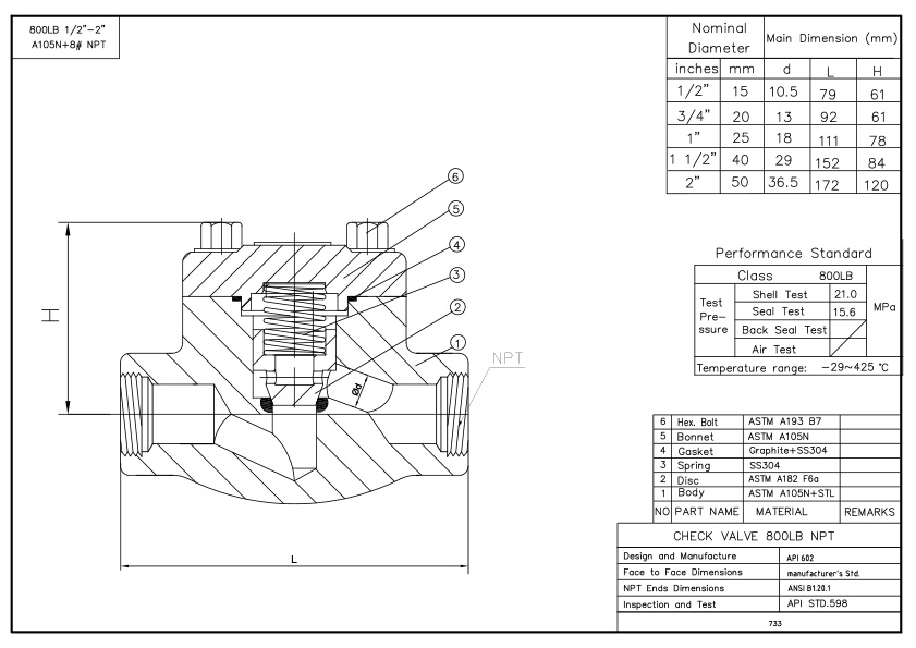
Features:
Leflow’s forged steel check valve is manufactured in accordance with API602, ISO15761 and ASME B16.34 and tested to API598.It has following characters:
1. Body comes from trackable high quality forgings;
2. Bonnet can be Bolted, Welded and Pressure Seal type;
3. Disc can be Lift, Swing and Ball type;
4. Gasket can be PTFE and Graphite filled with Stainless Steel;
5. Ends can be SW,NPT,BSPT,BW and Flange, The flange can be Integral or welded.







